
产品概述
SRM16-12/24型SF6气体绝缘紧凑型金属封闭开关设备(以下简称充气柜)采用模块化设计,以其固定式与灵活扩展的完美统一,以适合终端用户或网络节点的要求,同时满足各种配电开闭所、箱式变电站、电缆分接箱的需要,具有结构紧凑、安全可靠、长寿命、免维护的特点。
技术特性
■ SF6气体压力 20℃下为0.4bars(相对压力)
■ 年泄漏率≤0.25‰/年
■ 浸水试验 水下施加0.3 bars的压力/24小时
■ 燃弧试验 有灭弧器20kA/1s无灭弧器16kA/1s
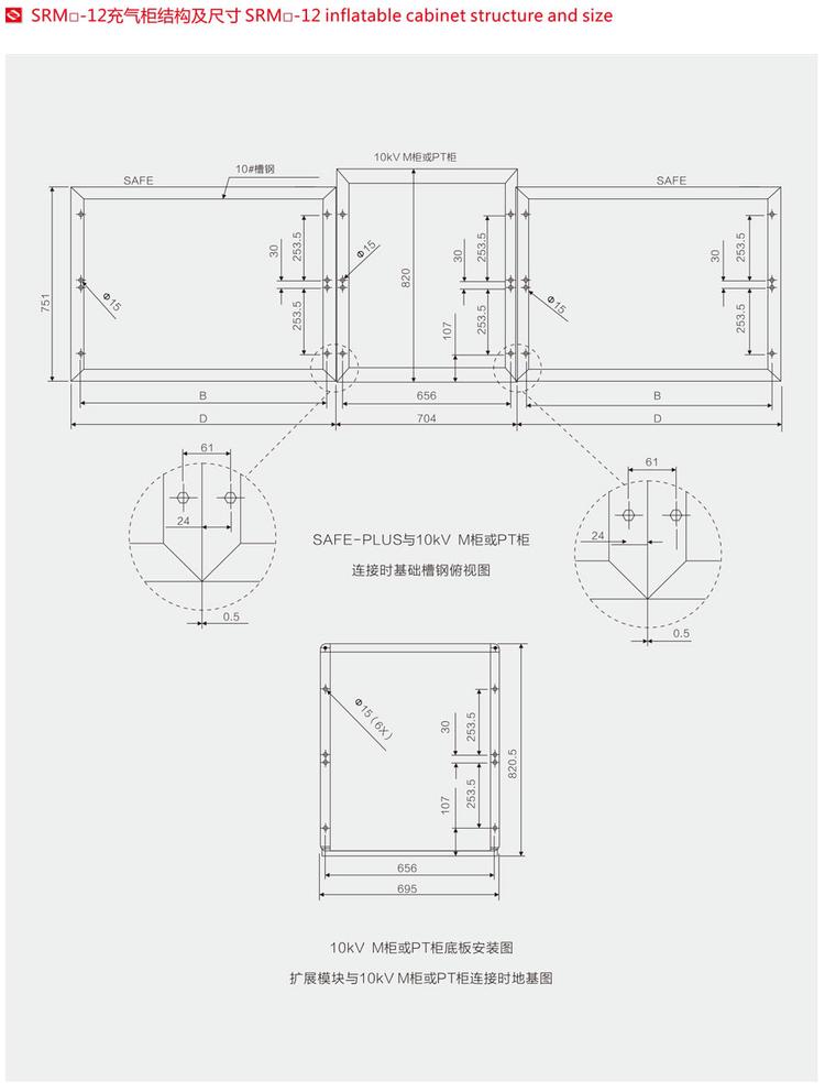
■ 防护等级 SF6气室 IP67 。
产品正常工作条件
- • 海拔高度 ≤3000米
- • 环境温度:高温度+55℃,低温度-45℃
- • 湿度:平均相对湿度
24小时测量≤95%,1个月测量≤90%
- • 抗震能力:地震烈度不超过8度
对于使用范围超过以上规定的特殊运行环境,请与九游电器集团股份有限公司协商解决
产品柜体及主要元件技术参数









用户在订货时应注明
- • 断路器型号,名称及订货数量
- • 断路器额定电压,额定电流及额定短路开断电流
- • 额定操作电压
- • 备品,备件的名称及数量
- • 用户若有其他特殊需求,可在订货时说明
- • 产品咨询电话:028-63155909